


什么是蒸汽锅炉?
蒸汽锅炉是在时间内(通常为1小时)把等体积的水转化成高温水蒸汽(多为151,171摄氏度),热水锅炉是在一定时间内(也为1小时)把20摄氏度的水转化为70-95的热水,蒸汽锅炉属于压力容器类,热水锅炉则没有压力,所以在使用中,热水锅炉比蒸汽锅炉的办证手续要容易的多。
1吨蒸汽锅炉定义:1t/h的蒸汽锅炉耗水量为1吨左右。由一吨的水变成一吨的蒸汽。在单位时间内能产生1蒸吨蒸汽的蒸汽锅炉称为1吨蒸汽锅炉;也叫1吨锅炉。
1吨电蒸汽锅炉;720KW电锅炉换算
| 型号 | 蒸发量 | 电功率 |
| 0.1吨蒸汽锅炉 | 100kg/h | 72KW |
| 0.2吨蒸汽锅炉 | 200kg/h | 144KW |
| 0.3吨蒸汽锅炉 | 300kg/h | 240KW |
| 0.5吨蒸汽锅炉 | 500kg/h | 360KW |
| 0.7吨蒸汽锅炉 | 700kg/h | 500KW |
| 1吨蒸汽锅炉 | 1000kg/h | 720KW |
| 2吨蒸汽锅炉 | 2000kg/h | 1440KW |
| 4吨蒸汽锅炉 | 4000kg/h | 2880KW |
| 6吨蒸汽锅炉 | 6000kg/h | 4320KW |


电加热蒸汽锅炉制造标准:
WDR1-1.0电热蒸汽锅炉的设计依据TSG G0001-2012《锅炉技术监察规程》、TSG G0002-2010《锅炉节能技术监督管理规程》、JB/T10393-2002《电加热锅炉技术条件》、NB/T47034-2013《工业锅炉技术条件》、GB/T1576-2008《工业锅炉水质》及GB/T16508.1~16508.8-2013《锅壳锅炉》等相关规定。
1吨电蒸汽锅炉;720KW电锅炉参数表
| 1 | 锅炉蒸发量 | 1T/h |
| 2 | 蒸汽压力 | 1.0Mpa |
| 3 | 蒸汽温度 | 180℃ |
| 4 | 给水温度 | 20℃ |
| 5 | 设计热效率 | 98% |
| 6 | 设计燃料 | 电加热 |
| 7 | 电源 | 380V 50HZ |
| 8 | 加热管功率 | 720KW |
| 9 | 电加热管材质 | 304不锈钢 |
| 10 | 锅炉水容积 | 1.58m³ |
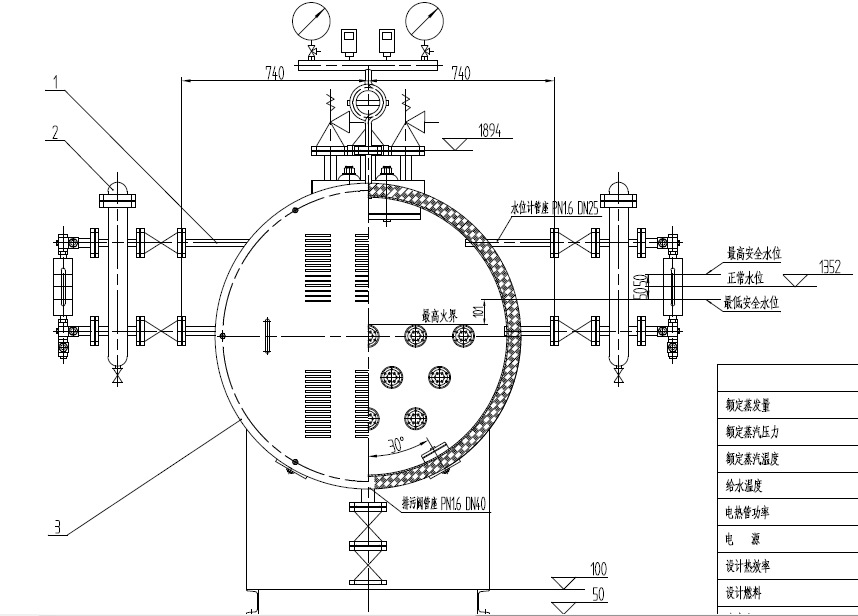
1吨电蒸汽锅炉;720KW电锅炉设计图纸



1吨电蒸汽锅炉;720KW电锅炉结构、性能阐述:
1、1吨电蒸汽锅炉本体由φ1108×8的锅壳筒体、φ1100×12的前后封头、24个DN80的电热管管座组焊而成。
2、本锅炉加热器采用直接式加热管,其特点:
①加热管直接与水接触,传热面积提高,改善热工性能,保证产品出力。
②加热管机械性能增强,结构紧凑,体积小。检修、更换、安装极为方便。
③加热管采用不锈钢制造,稳定可靠,使用寿命长。
3、由于锅炉采用电加热,只有锅炉体表散热损失,热效率高达97%以上,彻底实现零污染。
4、加热均匀、稳定,蒸发面积大。
5、除常规的压力控制,还装有自动排污系统,先进的程序控制,自动连锁、自动报警,实现全自动控制,加热器分级启动和停止,减轻对电网的冲击,具有过热、过压、缺水、短路、缺相、漏电等自动保护功能,稳定可靠,操作简便。




鲁公网安备 37030402000114号