
图1 医药生产车间

图2 生产车间储罐情况
制药行业工艺复杂,且生产批量小,因此存在数量众多的各种中小型容器。这些容器的典型特点是:容器小且内部结构复杂;高温带蒸汽,易在天线上形成结露甚至粘附;强搅拌导致液面形成漩涡;液面容易产生泡沫;介质成分复杂,很多介质都有腐蚀性;需要满足严格的卫生要求。赛谱自仪推出的##120GHz调频连续波雷达液位计SAIPU-RD1200-01款,对于制药行业复杂工况的液位测量具有独特的优势。
全新的透镜天线,天线近距离区域信噪比大大提高,使得近距离不再有盲区,小容器测量轻而易举。很小的安装接管和安装空间也可以顺利安装。对于高温带蒸汽、易在天线上形成结露和粘附的工况,半球形的透镜天线具有更强的抗结露和抗粘附的能力。PFA或PTFE的全氟塑料天线,具有高防腐性,适用于强腐蚀性介质。半球形透镜天线表面光滑、无空腔、无凹槽,配上卫生型过程连接,完全可以满足制药行业对卫生的要求。4°的发射角,雷达信号可轻松避开搅拌桨、加热盘管等障碍物,直接测到液位。120Ghz雷达波频率,即使液面由于搅拌形成漩涡或产生泡沫使得液位信号大幅衰减,仍能实现稳定可靠的测量。测量及高度可以达到+-5mm。即使天线上形成严重的结露和粘附,由于强信号,使得雷达信号穿透结露和粘附后,仍能得到稳定可靠的液位信号。
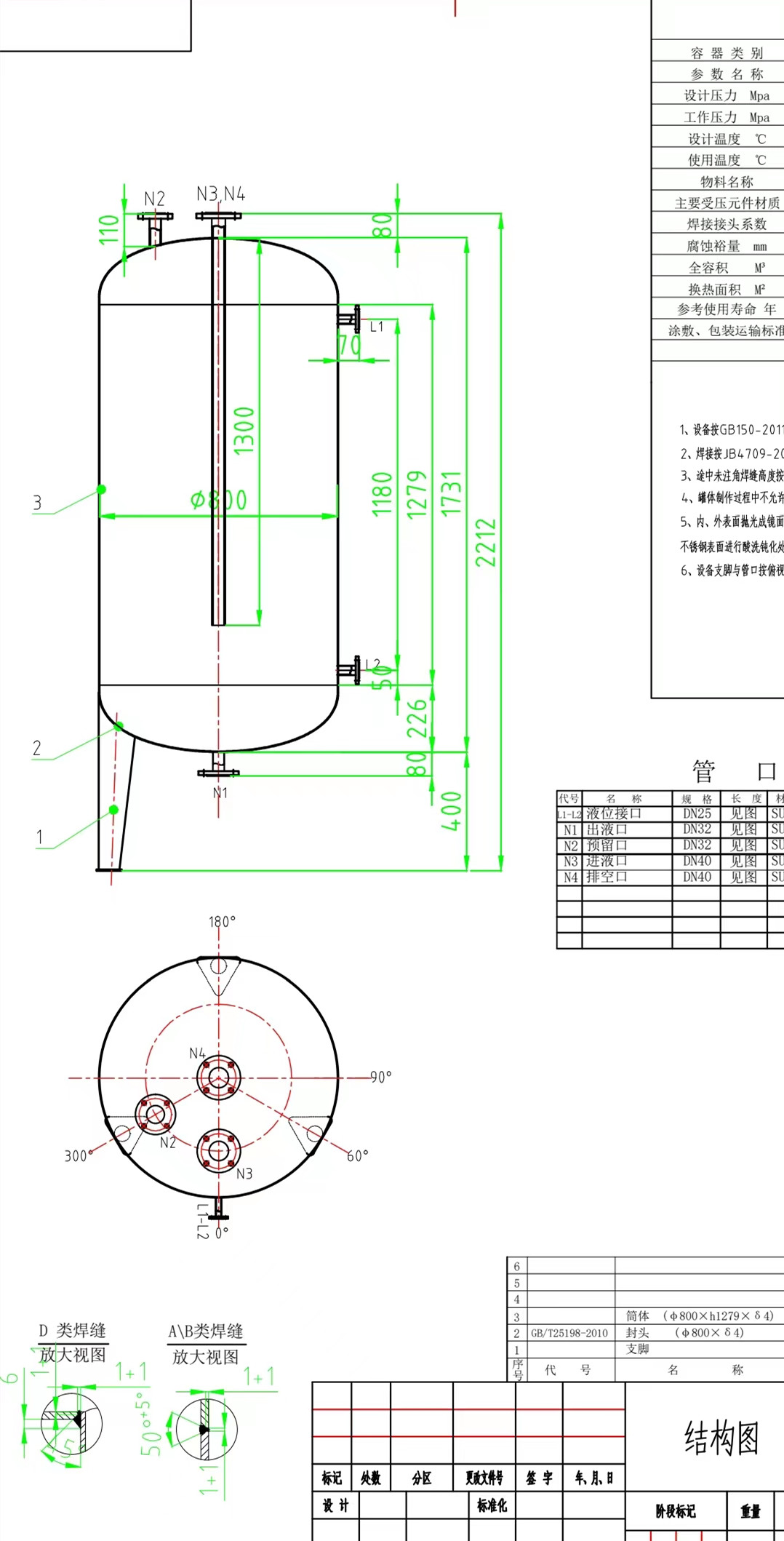
该改造项目实施前期,和总包单位技术总工取得多方沟通交流。遇到的难题是罐体本身小。储罐直径大概1米、另外储罐上方安装空间受限。储罐可安装口径为DN32和DN40孔。尝试多个方案,都没无法满足安装条件。##经过我司技术工程师的沟通交流,拿出解决方案。##解决客户现场实际难题。现场测试调试后测量信号数据正常。数据稳定可靠。保证技术改造项目顺利完工。得到甲方单位的一致好评。

图3 储罐结构图

图4 储罐j结构图


图5 技术方案(安装结构方案)

图6 技术方案(安装结构方案)

图7 测试数据信号记录
