西门子电动二通调节阀VVF43系列:
属于长行程阀门系列
· 介质温度在-20…220 °C 的高性能阀门
· 球墨铸铁 EN-G
· PN 16
· DN 65…150
· kvs 50…400 m3/h
· 法兰类型21, 法兰设计为 B
· 与SKC.. 电动液压执行器组合
二通阀VVF43..可用于液体和蒸汽,但介质不同,安装方向不同;三通阀VXF43..只能用于液体,可用于合流或分流。
用途
用于锅炉, 区域供热和制冷设备, 冷却塔, 加热机组, 和空调机组中作为控制或截止阀门。适用用于闭式或开式管路系统。
型号
二通法兰座阀 VVF43..
VVF43.65-50
VVF43.65-63
VVF43.80-80
VVF43.80-100
VVF43.100-125
VVF43.100-160
VVF43.125-200
VVF43.125-250
VVF43.150-315
VVF43.150-400
型号说明:VVF43(阀门系列).80(阀门口径)-100(阀门流量Kvs)
三通法兰座阀 VXF43..
VXF43.65-63
VXF43.80-100
VXF43.100-160
VXF43.125-250
VXF43.150-400
型号说明:VXF43(阀门系列).80(阀门口径)-100(阀门流量Kvs)
阀门维护
本产品免维护
在进行阀门或执行器维修前:如有必要, 需拆除电气连线.
· 停止水泵并切断电源
· 关闭截止阀
· 释放管道系统中的压力并等待管道完全冷却
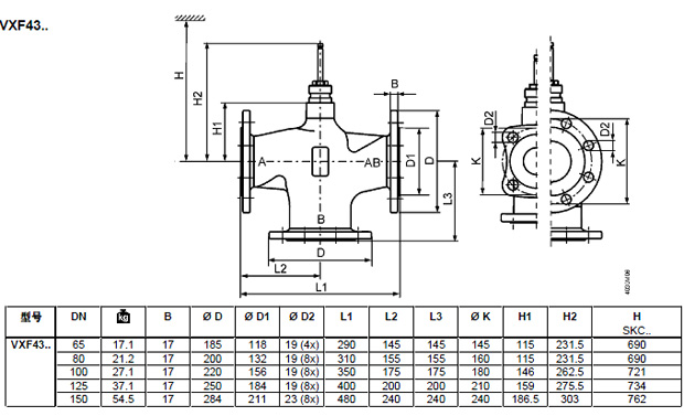
阀门尺寸
VXF43.65 VXF43.80 VXF43.100 VXF43.125 VXF43.150



